KH-NFOA/B寻北仪

KH-NFOA/B寻北仪

KH-NFOA/B寻北仪



极高性价比的寻北仪


产品特点:
体积小重量轻
通过通讯接口能和用户的系统进行直连
⽅便用户系统操控寻北仪进行寻北和数据实时回传。
典型应用:
在矿山中为钻机提供定向和引线功能  
需要测量倾角和工具面角的场合
用于天线基座的初始对准
需要和用户系统联动的使用场合。


666666.00
0.00
  

KH-NFOA/B寻北仪



极高性价比的寻北仪


产品特点:
体积小重量轻
通过通讯接口能和用户的系统进行直连
⽅便用户系统操控寻北仪进行寻北和数据实时回传。
典型应用:
在矿山中为钻机提供定向和引线功能  
需要测量倾角和工具面角的场合
用于天线基座的初始对准
需要和用户系统联动的使用场合。



KH-NFOA寻北仪性能指标

 

参数名称

KH-NFOA

方位角测量范围

0-360°

方位角精度

0.5°(1σ)(倾斜±15°)典型值

方位角保持精度

0.5°(1σ  t≤15min)1°(1σ 15min≤t≤30min

方位角运动保持时间

30分钟

横滚俯仰角测量范围

±90°

横滚俯仰角精度

±0.1°

三轴转动角速率

<300°/s

功耗

≤3W

寻北时间

≤3min

供电

9-17V

通讯方式

RS422/RS232

工作温度

-40-+60

贮存温度

-55-+80

出线接口

甩线

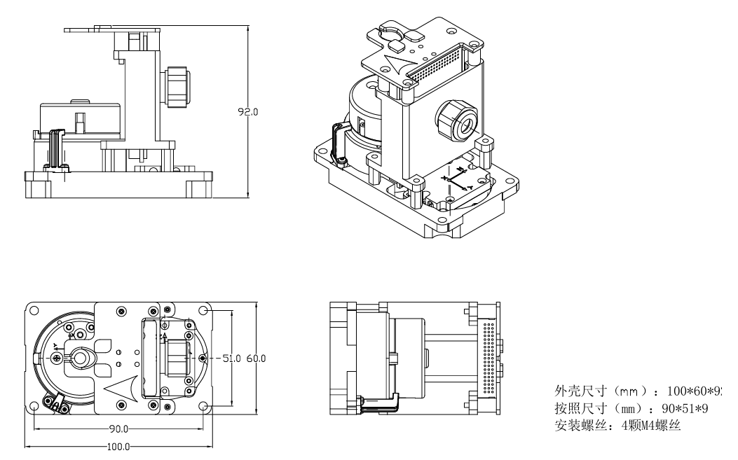
尺寸

100*60*92(mm)(无上盖)

重量

≤400g;(无上盖)


KH-NFOB寻北仪性能指标

 

参数名称

KH-NFOB

方位角测量范围

0-360°

方位角精度

0.3°(1σ)(倾斜±15°)典型值

方位角保持精度

0.3°(1σ  t≤15min)1°(1σ 15min≤t≤30min

方位角运动保持时间

30分钟

横滚俯仰角测量范围

±90°

横滚俯仰角精度

±0.1°

三轴转动角速率

<300°/s

功耗

≤3W

寻北时间

≤3min

供电

9-17V

通讯方式

RS422/RS232

工作温度

-40-+60

贮存温度

-55-+80

出线接口

甩线

尺寸

100*60*92(mm)(无上盖)

重量

≤400g;(无上盖



结构尺寸(无上盖)



产品分类